Home
Application
Automotive

Automotive
Yangjie Technology provides automotive electronic applications such as car lights, intelligent cockpit, BMS, charging pile, and provides customers with integrated power device products and services.
Rear Lighting ▸
Traction Motor Inverter ▸
Motor Control Brushed ▸
Motor Control Brushless ▸
Electric Power Steering ▸
3.3KW or Below On Board Charger ▸
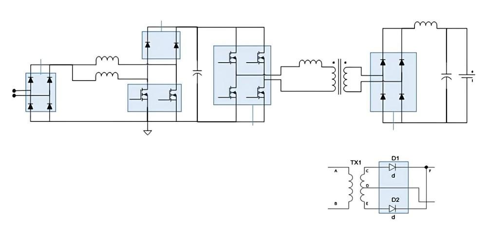
6.6KW or Above On Board Charger ▸
HV A/C Compressor ▸
PTC Heater ▸